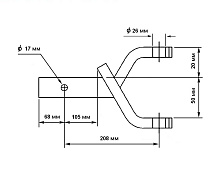
Сцепные устройства
- Прицепы (лафеты) для лодок и катеров
- Системы облегчающие спуск на воду катера
- Прицепы бортовые
- Тенты для бортовых прицепов
- Прицепы-фургоны
- Упоры для лодочных моторов
- Опорные колеса
- Опорные стойки, винтовые опоры
- Стропы, тросы, ремни, кольца
- Лебедки
- Ролики, носовые упоры
- Запасные колеса, кронштейны
- Багажники, лестницы
- Рессоры
- Роликовые системы
- Сцепные устройства
- Электрика, фонари, стопы и.т. д.
- Ящики
- Запчасти, прочее
Фильтры
Сортировка: