Карбюратор Suzuki DF5

Карбюратор Suzuki DF5

Тип: Карбюратор
Артикул: 13200-91J60-000 | 13200-91J70-000 | 13200-91J81-000 | 13200-91J91-000 | 13200-91JB1-000
Производитель: Suzuki
Нет в продаже
  • Описание и характеристики
  • Доставка и оплата
  • Отзывы

Описание товара

Карбюратор Suzuki DF5 S/L - это один из самых важных и точных механизмов в вашем подвесном лодочном моторе Suzuki DF 5 S/L. Его задача - готовить оптимальную топливно-воздушную смесь в правильной пропорции для всех режимов работы двигателя: запуска, холостого хода, средних и высоких оборотов. От состояния карбюратора напрямую зависят легкость пуска, стабильность работы, мощность, экономичность и даже ресурс двигателя.


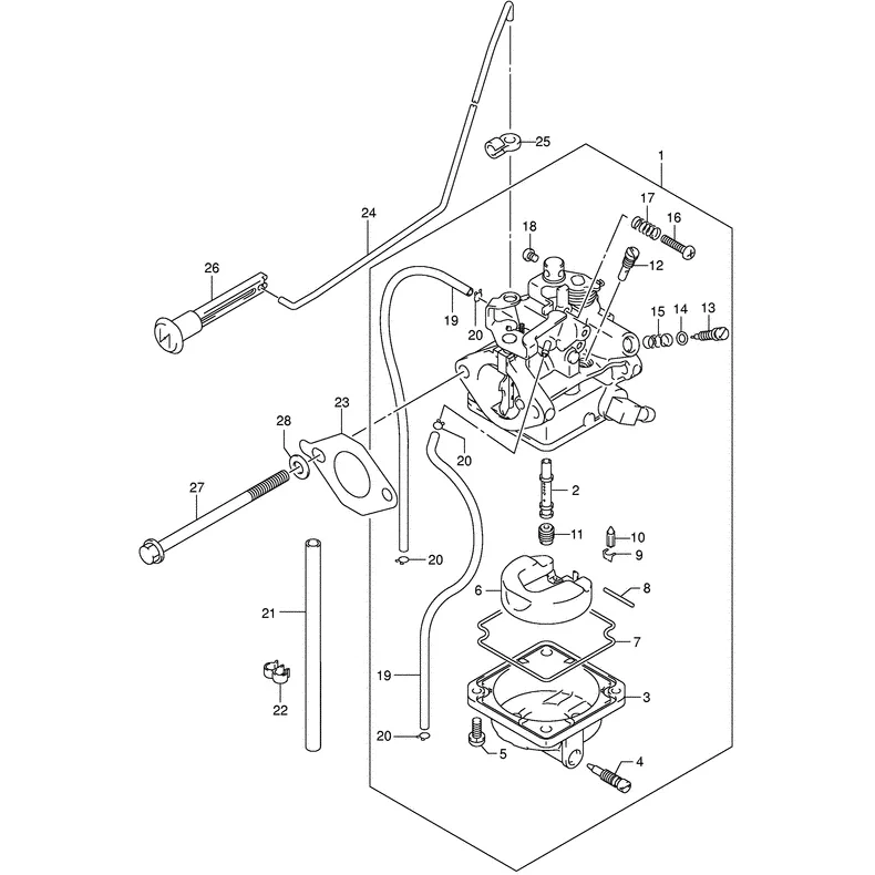
Основные компоненты (запчасти) по номерам на фото:

  1. Карбюратор в сборе (13200-91J60-000 | 13200-91J70-000 | 13200-91J81-000 | 13200-91J91-000 | 13200-91JB1-000).
  2. Главная форсунка (13236-91J20-000 | 13236-91J30-000).
  3. Поплавковая камера (13245-91J00-000).
  4. Дренажная заглушка (13279-91J00-000).
  5. Болт (13247-91J00-000).
  6. Поплавок (13250-91J00-000).
  7. Прокладка поплавковой камеры (13251-91J00-000).
  8. Стопор поплавка (13254-91J00-000).
  9. Зажим, клапан (13375-43E00-000).
  10. Клапан (13371-91J10-000).
  11. Жиклер главный (70 / 78) (09491-70016-000 | 09491-78010-000).
  12. Жиклер пропускной (35 / 38) (09492-35029-000 | 09492-38008-000).
  13. Винт настройки (13662-91J10-000).
  14. Уплотнительное кольцо (13278-43E00-000).
  15. Пружина (13268-91J00-000).
  16. Винт муфты (13534-91J00-000).
  17. Пружина (13268-91J10-000).
  18. Болт (13535-91J00-000).
  19. Шланг (13277-91J00-000)
  20. Скоба (13276-91J00-000).
  21. Предохранитель PROTECTOR (6X8X200) (09351-60802-200).
  22. Хомут малый (09408-00200-000).
  23. Прокладка карбюратора (13125-91J10-000).
  24. Штанга (13413-91J10-000 | 13413-91J20-000).
  25. Соединение отбойника (13436-91J00-000).
  26. Ручка, дроссельная заслонка (13631-91J00-000).
  27. Болт (01547-06857-000).
  28. Шайба (08322-01067-000).

Типичные симптомы, указывающие на проблемы с карбюратором:

  • Плохой или затрудненный запуск двигателя, особенно "на холодную".
  • Неустойчивая работа на холостом ходу, двигатель глохнет.
  • Провалы мощности при резком открытии дросселя ("двигатель чихает").
  • Повышенный расход топлива.
  • Черный дым из выхлопа (слишком богатая смесь) или перегрев, детонация (слишком бедная смесь).

Юридическая информация

*Информация по гарантийным обязательствам предоставлена заводом изготовителем и может отличаться от условий, предоставляемых региональными дилерами.
**Внешний вид и конструкция могут отличаться от изображения на сайте.
***Мы настоятельно рекомендуем пользоваться опубликованной информацией в качестве основного обзора товара, и при совершении покупки, уточняйте параметры у нашего консультанта.

Характеристики

Тип Карбюратор
Артикул 13200-91J60-000 | 13200-91J70-000 | 13200-91J81-000 | 13200-91J91-000 | 13200-91JB1-000
Производитель Suzuki

Доставка и оплата

Способы доставки:

Доставка во все регионы Беларуси и г. Минск через отделения "Белпочта"

Доставка курьером "Белпочта" осуществляется ДО ПОДЪЕЗДА.

Доставка заказа до 50 кг. включительно осуществляется на следующий день, после передачи его в отделение "Белпочта".

Доставка заказа свыше 50 кг. осуществляется в течении 2-3 дней, после передачи его в отделение "Белпочта". Накануне выходных и праздничных дней сроки доставки заказа увеличиваются на количество этих дней.


Доставка платная (стоимость доставки зависит от веса посылки):

  • до 3 кг. вкл. - 16 бел. руб.;
  • свыше 3 до 15 кг. вкл. - 20 бел. руб.;
  • свыше 15 до 40 кг. вкл. - 35 бел. руб;
  • свыше 40 кг. - стоимость индивидуально обговаривается с нашим менеджером.

Доставка курьером по г. Минску

В зимний период доставка курьером по г. Минску осуществляется только после индивидуального согласования с нашим менеджером.


Стоимость доставки по г. Минску (до подъезда):

  • Бесплатно — при заказе от 150 бел. руб.
  • 10 бел. руб. — при заказе на сумму менее 150 бел. руб.

Предварительно необходимо оформить заказ на сайте. С Вами свяжется наш менеджер для подтверждения заказа.


Курьер не осуществляет подъем заказа в квартиру или на этаж.

Самовывоз из пункта выдачи в г. Минске (район Боровлян, д. Лесковка)

Вы можете самостоятельно получить заказ в нашем пункте выдачи (г.п. Боровляны, д. Лесковка, ул. Полевая, д. 1Б).

Предварительно необходимо оформить заказ на сайте. С Вами свяжется наш менеджер для подтверждения заказа и уточнит срок поставки заказа на пункт выдачи.

Оплатить заказ можно наличными или путем перечисления денежных средств на наш расчетный счет в ОАО «Банк БелВЭБ».


Режим работы пункта выдачи в г. Минске (район Боровлян, д. Лесковка):

  • Пн-Пт: 10:00-20:00;
  • Сб: 10:00-15:00;
  • Вс: выходной.

Заказы на пункт выдачи доставляются 2 раза в неделю - СРЕДА и ПЯТНИЦА.

Заказы оформленные в субботу, воскресенье, понедельник и вторник будут доставлены на пункт выдачи в СРЕДУ.

Заказы оформленные в среду и четверг будут доставлены на пункт выдачи в ПЯТНИЦУ.



Пожалуйста, дождитесь подтверждения о готовности Вашего заказа на пункте выдачи перед визитом.

Самовывоз из магазина "Партнер" в г. Борисове

Вы можете самостоятельно получить заказ в нашем магазине "Партнер" (г. Борисов, ул. Заводская, 45Б).

Предварительно необходимо оформить заказ на сайте. С Вами свяжется наш менеджер для подтверждения заказа.


Режим работы магазина "Партнер" в г. Борисове:

  • Пн-Пт: 08:00-16:00;
  • Сб: 08:00-15:00;
  • Вс: выходной.

Обращайте внимание на выходные и праздничные дни.

Способы оплаты:

Наличными

Оплатить заказ наличными возможно:

  • при самовывозе из магазина "Партнер" в г. Борисове;
  • при самовывозе из пункта выдачи в г. Минске (район Боровлян, д. Лесковка);
  • при доставке курьером по г. Минску;
  • при доставке почтовым курьером РУП "Белпочта".

Банковской пластиковой карточкой через терминал оплаты

Оплатить заказ банковской пластиковой карточкой возможно:

  • при самовывозе из магазина "Партнер" в г. Борисове;
  • при доставке курьером по г. Минску;
  • при доставке почтовым курьером РУП "Белпочта".

Заранее сообщите нашему менеджеру, что Вы планируете расплатиться банковской пластиковой картой.

Банковским переводом (только по согласованию с менеджером)

Оплатить заказ банковским переводом (путем перечисления денежных средств на наш расчетный счет в ОАО «Банк БелВЭБ») возможно:

  • при самовывозе из магазина "Партнер" в г. Борисове;
  • при самовывозе из пункта выдачи в г. Минске (район Боровлян, д. Лесковка);
  • при доставке курьером по г. Минску.
Реквизиты для оплаты ОАО «Банк БелВЭБ»
Получатель ЧТУП «СпортХолл»
УНП 690676279
Адрес 222516, Республика Беларусь, Минская обл., г. Борисов, ул. Заводская, д. 45Б
Банк ОАО «Банк БелВЭБ», г. Минск, просп. Победителей, д. 29
БИК BELBBY2X
Расчетный счет BY23BELB30121630980010226000
Наименование платежа Оплата Заказа № …

Безналичным расчетом (только для юридических лиц)

Оплатить заказ безналичным расчетом возможно:

  • при самовывозе из магазина "Партнер" в г. Борисове;
  • при самовывозе из пункта выдачи в г. Минске (район Боровлян, д. Лесковка);
  • при доставке курьером по г. Минску.

Для этого необходимо:

  • Зарезервировать товар (позвонив, написав нам или оформив заказ на сайте с указанием соответствующего способа оплаты).
  • Предоставить реквизиты вашей организации, указать e-mail или факс, на который мы вышлем счет. Это можно сделать, написав на наш e-mail - 2311137@mail.ru.
  • В течение 3 дней оплатить счет (после этого срока он будет недействителен).
  • Договориться о времени и месте доставки заказа (после зачисления денежных средств на наш расчетный счет в ОАО «Банк БелВЭБ» с вами свяжется менеджер, чтобы уточнить детали).

Обновлено: 23.05.2026 г.

Отвечаем на ваши звонки: Пнд. - Птн.: 08.00-21.00; Сбт. - Вск.: 09.00-16.00.