Поворотный кронштейн Suzuki
Поворотный кронштейн Suzuki
Поворотный кронштейн Suzuki
Поворотный кронштейн Suzuki
Поворотный кронштейн Suzuki
Поворотный кронштейн Suzuki

Поворотный кронштейн Suzuki

Тип: Кронштейны поворотные
Артикул: 43111-97J00-0EP | 43110-97J10-0EP | 43121-97J00-0EP | 43110-97J30-0EP
Производитель: Suzuki
Нет в продаже
  • Описание и характеристики
  • Доставка и оплата
  • Отзывы

Описание товара

Поворотный кронштейн (кронштейн крепления) Suzuki DF2.5 - это одна из ключевых несущих деталей, которая обеспечивает надежное крепление вашего лодочного мотора Suzuki DF 2.5S K8 к транцу лодки. Именно через этот узел передаются все управляющие усилия при повороте мотора, поэтому его исправность напрямую влияет на безопасность и комфорт управления плавсредством.


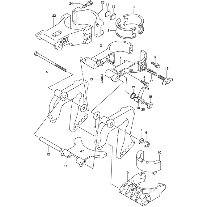
Основные компоненты (запчасти) по номерам на фото:

  1. Поворотный кронштейн в сборе (43111-97J00-0EP | 43110-97J30-0EP | 43110-97J31-0EP).
  2. Кронштейн шарнирного соединения (43121-97J00-0EP).
  3. Верхняя втулка рулевой системы (43711-97J00-000).
  4. Болт (6x25) (09116-06121-000).
  5. Болт поворотного вала (59111-97J00-000 | 59111-97JL0-000).
  6. Гайка (09159-08018-000).
  7. Шайба (8.5x14x1.0) (09160-08091-000).
  8. Шайба (8.5x23x1.5) (09160-08081-000).
  9. Упорный блок (45411-97J20-000 | 45411-97J00-000 | 45411-97J00-000 | 45411-97J30-000).
  10. Крепление, Lwr Thrust (54151-97J00-000 | 54151-97JL0-000).
  11. Кронштейн блокировки поворота (43751-97J01-000).
  12. Поворотный вал Стопор (43752-97J00-000).
  13. Пружина, Swivel Стопор (59443-97J00-000).
  14. Плата регулятора ( 43415-97J00-000 | 43415-97J10-000).
  15. Резинка регулировки рулевого управления (43416-97J00-000 | 43416-97J10-000 | 43430-97L00-000).
  16. Болт (09119-06110-000 | 09119-06130-000).
  17. Пружина (09440-09042-000).
  18. Рычаг блокировки наклона (41221-97J10-000 | 41221-97JL0-000).
  19. Болт (6x12) (09116-06127-000).
  20. Прокладка рычага блокировки наклона (59181-97J10-000).
  21. Пружина фиксатора наклона (59444-97J00-000 | 59444-97J10-000).
  22. Кронштейн шарнирный (43111-97J10-0EP | 43111-97J30-0EP).
  23. Крышка поворотного кронштейна (черный цвет) (43121-97J10-0EP | 43121-97J30-0EP).
  24. Болт (6x30) (09116-06207-000 | 09116-06232-000).
  25. Поворотный кронштейн в сборе (43110-97J10-0EP).

Основные признаки износа или поломки поворотного кронштейна:

  • Появление люфта или нестабильности мотора относительно транца.
  • Затрудненный поворот мотора или его самопроизвольное смещение с курса.
  • Повышенная вибрация, передающаяся на корпус лодки.
  • Механические повреждения (трещины, деформации) самой детали.

Важно: При замене кронштейна рекомендуется также проверить состояние сопутствующих элементов крепления: болтов, втулок и фиксирующих пластин.


Юридическая информация

*Информация по гарантийным обязательствам предоставлена заводом изготовителем и может отличаться от условий, предоставляемых региональными дилерами.
**Внешний вид и конструкция могут отличаться от изображения на сайте.
***Мы настоятельно рекомендуем пользоваться опубликованной информацией в качестве основного обзора товара, и при совершении покупки, уточняйте параметры у нашего консультанта.

Характеристики

Тип Кронштейны поворотные
Артикул 43111-97J00-0EP | 43110-97J10-0EP | 43121-97J00-0EP | 43110-97J30-0EP
Производитель Suzuki

Доставка и оплата

Способы доставки:

Доставка во все регионы Беларуси и г. Минск через отделения "Белпочта"

Доставка курьером "Белпочта" осуществляется ДО ПОДЪЕЗДА.

Доставка заказа до 50 кг. включительно осуществляется на следующий день, после передачи его в отделение "Белпочта".

Доставка заказа свыше 50 кг. осуществляется в течении 2-3 дней, после передачи его в отделение "Белпочта". Накануне выходных и праздничных дней сроки доставки заказа увеличиваются на количество этих дней.


Доставка платная (стоимость доставки зависит от веса посылки):

  • до 3 кг. вкл. - 16 бел. руб.;
  • свыше 3 до 15 кг. вкл. - 20 бел. руб.;
  • свыше 15 до 40 кг. вкл. - 35 бел. руб;
  • свыше 40 кг. - стоимость индивидуально обговаривается с нашим менеджером.

Доставка курьером по г. Минску

В зимний период доставка курьером по г. Минску осуществляется только после индивидуального согласования с нашим менеджером.


Стоимость доставки по г. Минску (до подъезда):

  • Бесплатно — при заказе от 150 бел. руб.
  • 10 бел. руб. — при заказе на сумму менее 150 бел. руб.

Предварительно необходимо оформить заказ на сайте. С Вами свяжется наш менеджер для подтверждения заказа.


Курьер не осуществляет подъем заказа в квартиру или на этаж.

Самовывоз из пункта выдачи в г. Минске (район Боровлян, д. Лесковка)

Вы можете самостоятельно получить заказ в нашем пункте выдачи (г.п. Боровляны, д. Лесковка, ул. Полевая, д. 1Б).

Предварительно необходимо оформить заказ на сайте. С Вами свяжется наш менеджер для подтверждения заказа и уточнит срок поставки заказа на пункт выдачи.

Оплатить заказ можно наличными или путем перечисления денежных средств на наш расчетный счет в ОАО «Банк БелВЭБ».


Режим работы пункта выдачи в г. Минске (район Боровлян, д. Лесковка):

  • Пн-Пт: 10:00-20:00;
  • Сб: 10:00-15:00;
  • Вс: выходной.

Заказы на пункт выдачи доставляются 2 раза в неделю - СРЕДА и ПЯТНИЦА.

Заказы оформленные в субботу, воскресенье, понедельник и вторник будут доставлены на пункт выдачи в СРЕДУ.

Заказы оформленные в среду и четверг будут доставлены на пункт выдачи в ПЯТНИЦУ.



Пожалуйста, дождитесь подтверждения о готовности Вашего заказа на пункте выдачи перед визитом.

Самовывоз из магазина "Партнер" в г. Борисове

Вы можете самостоятельно получить заказ в нашем магазине "Партнер" (г. Борисов, ул. Заводская, 45Б).

Предварительно необходимо оформить заказ на сайте. С Вами свяжется наш менеджер для подтверждения заказа.


Режим работы магазина "Партнер" в г. Борисове:

  • Пн-Пт: 08:00-16:00;
  • Сб: 08:00-15:00;
  • Вс: выходной.

Обращайте внимание на выходные и праздничные дни.

Способы оплаты:

Наличными

Оплатить заказ наличными возможно:

  • при самовывозе из магазина "Партнер" в г. Борисове;
  • при самовывозе из пункта выдачи в г. Минске (район Боровлян, д. Лесковка);
  • при доставке курьером по г. Минску;
  • при доставке почтовым курьером РУП "Белпочта".

Банковской пластиковой карточкой через терминал оплаты

Оплатить заказ банковской пластиковой карточкой возможно:

  • при самовывозе из магазина "Партнер" в г. Борисове;
  • при доставке курьером по г. Минску;
  • при доставке почтовым курьером РУП "Белпочта".

Заранее сообщите нашему менеджеру, что Вы планируете расплатиться банковской пластиковой картой.

Банковским переводом (только по согласованию с менеджером)

Оплатить заказ банковским переводом (путем перечисления денежных средств на наш расчетный счет в ОАО «Банк БелВЭБ») возможно:

  • при самовывозе из магазина "Партнер" в г. Борисове;
  • при самовывозе из пункта выдачи в г. Минске (район Боровлян, д. Лесковка);
  • при доставке курьером по г. Минску.
Реквизиты для оплаты ОАО «Банк БелВЭБ»
Получатель ЧТУП «СпортХолл»
УНП 690676279
Адрес 222516, Республика Беларусь, Минская обл., г. Борисов, ул. Заводская, д. 45Б
Банк ОАО «Банк БелВЭБ», г. Минск, просп. Победителей, д. 29
БИК BELBBY2X
Расчетный счет BY23BELB30121630980010226000
Наименование платежа Оплата Заказа № …

Безналичным расчетом (только для юридических лиц)

Оплатить заказ безналичным расчетом возможно:

  • при самовывозе из магазина "Партнер" в г. Борисове;
  • при самовывозе из пункта выдачи в г. Минске (район Боровлян, д. Лесковка);
  • при доставке курьером по г. Минску.

Для этого необходимо:

  • Зарезервировать товар (позвонив, написав нам или оформив заказ на сайте с указанием соответствующего способа оплаты).
  • Предоставить реквизиты вашей организации, указать e-mail или факс, на который мы вышлем счет. Это можно сделать, написав на наш e-mail - 2311137@mail.ru.
  • В течение 3 дней оплатить счет (после этого срока он будет недействителен).
  • Договориться о времени и месте доставки заказа (после зачисления денежных средств на наш расчетный счет в ОАО «Банк БелВЭБ» с вами свяжется менеджер, чтобы уточнить детали).

Обновлено: 23.05.2026 г.

Отвечаем на ваши звонки: Пнд. - Птн.: 08.00-21.00; Сбт. - Вск.: 09.00-16.00.