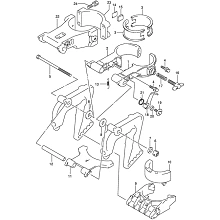
Поворотный кронштейн
- Барабанный (ручной) стартер
- Блок цилиндра
- Водяной насос
- Всасывающий патрубок / глушитель
- Головка блока цилиндра
- Карбюратор
- Картер (корпус) редуктора
- Коленчатый вал
- Корпус (кожух) приводного вала
- Приводной вал
- Зажимной кронштейн (кронштейн транца)
- Крышка двигателя (капот)
- Нижняя крышка двигателя
- Статор и ротор (магнето)
- Масляный насос
- Переключающая тяга
- Поворотный кронштейн
- Румпель
- Рычаг сцепления
- Топливный бак
Фильтры
Поворотный кронштейн - основа надежного крепления и управления мотором
Поворотный кронштейн - это одна из ключевых несущих деталей, которая обеспечивает надежное крепление вашего лодочного мотора Suzuki DF 2.5 к транцу лодки. Именно через этот узел передаются все управляющие усилия при повороте мотора, поэтому его исправность напрямую влияет на безопасность и комфорт управления плавсредством.
Основные признаки износа или поломки поворотного кронштейна:
- Появление люфта или нестабильности мотора относительно транца.
- Затрудненный поворот мотора или его самопроизвольное смещение с курса.
- Повышенная вибрация, передающаяся на корпус лодки.
- Механические повреждения (трещины, деформации) самой детали.
В магазине "Партнер" вы можете приобрести оригинальный поворотный кронштейн с заводским артикулом 43111-97J00-0EP для модели Suzuki DF2.5S K8.
Важно: При замене кронштейна рекомендуется также проверить состояние сопутствующих элементов крепления: болтов, втулок и фиксирующих пластин.
Как сделать заказ?
Для подтверждения совместимости укажите артикул 43111-97J00-0EP или сообщите нашим консультантам модель и серийный номер вашего двигателя. Мы оперативно доставим деталь в любой город Беларуси.
Уверенное управление начинается с надежного крепления. Выбирайте оригинальные запчасти от магазина "Партнер"!