Картер (корпус) редуктора
- Барабанный (ручной) стартер
- Блок цилиндра
- Водяной насос
- Всасывающий патрубок / глушитель
- Головка блока цилиндра
- Карбюратор
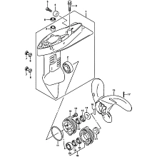
- Картер (корпус) редуктора
- Коленчатый вал
- Корпус (кожух) приводного вала
- Приводной вал
- Зажимной кронштейн (кронштейн транца)
- Крышка двигателя (капот)
- Нижняя крышка двигателя
- Статор и ротор (магнето)
- Масляный насос
- Переключающая тяга
- Поворотный кронштейн
- Румпель
- Рычаг сцепления
- Топливный бак
Фильтры
Картер редуктора (коробки передач) Suzuki DF 2.5S K8: основа трансмиссии вашего мотора
Картер редуктора, или нижняя часть подвесного лодочного мотора Suzuki DF 2.5S K8 - это герметичный литой корпус, который служит основой для всей трансмиссии и привода гребного винта. В нем размещены шестерни, валы, подшипники и сальники, а также находится редукторное масло, необходимое для смазки и охлаждения трущихся деталей. Этот узел постоянно работает под высокой нагрузкой, в агрессивной водной среде, поэтому его целостность и герметичность критически важны.
В данном разделе представлены компоненты для ремонта, восстановления или замены картера редуктора и его составных частей.
Основные компоненты и их назначение:
- Картер (корпус) редуктора в сборе: Основная литая деталь, часто из алюминиевого сплава. Замена требуется при серьезных механических повреждениях (трещины от удара, сколы, коррозионные разрушения).
- Верхняя и нижняя крышки редуктора: Закрывают картер, обеспечивая герметичность. Имеют сальники для уплотнения валов.
- Комплект прокладок и уплотнений: Включает прокладки крышек, уплотнительные кольца. Требуют обязательной замены при любой разборке редуктора для предотвращения попадания воды и утечки масла.
- Сальники приводного и гребного валов: Критически важные уплотнения, защищающие полость редуктора от воды.
- Ремкомплект редуктора: Часто включает все необходимые прокладки и сальники для проведения полного сервиса.
Причины для ремонта или замены картера редуктора:
- Механическое повреждение: Трещина или пробоина в корпусе от удара о подводное препятствие (камень, коряга).
- Износ посадочных мест: Выработка в гнездах подшипников или сальников, ведущая к нарушению соосности валов и утечкам.
- Коррозионное разрушение: Особенно актуально для эксплуатации в соленой морской воде.
- Нарушение герметичности: Постоянные течи масла, не устраняемые заменой сальников и прокладок, могут указывать на микротрещины или деформацию корпуса.
Важно: Ремонт редуктора - сложная процедура, требующая чистоты, специального инструмента и точной регулировки зацепления шестерен. Часто замена картера влечет за собой необходимость замены подшипников, сальников, прокладок и проверки состояния шестерен.
Почему для ремонта редуктора выбирают "Партнер"?
- Комплексные решения: Мы можем предложить как корпус в сборе, так и все необходимые сопутствующие детали для его установки.
- Качество запчастей: Детали соответствуют оригинальным размерам и допускам, что гарантирует правильную сборку и долговечность ремонта.
- Надежная доставка: Обеспечиваем доставку заказов по всей территории Беларуси.
Доверьте восстановление вашего редуктора профессионалам и качественным запчастям от магазина "Партнер".